歡迎訪問 嶽陽黄瓜视频下载观看電磁機械有限公司網站!
除鐵器概論:
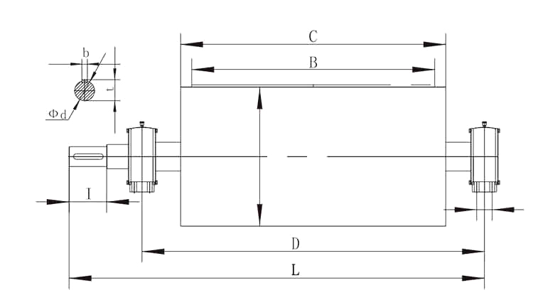
除鐵器是一種能產生強大磁場吸引力的設備,通常與帶式輸送機、振動給料機等輸送設備配套使用。能除去混雜在散狀物料中重量為0.1~25kg的鐵磁性物件。對研磨機、破碎機、輸送皮帶起著可靠的保護作用。廣泛用於冶金、礦山、電力、港口、陶瓷、玻璃、水泥、建材、化工、食品、飼料、垃圾處理等行業。
我公司生產的除鐵器,通過引進消化國外的先進技術,采用計算機優化設計,具有磁勢大、透磁深、吸力強、耗能低、環境適應性強、安全可靠等特點。由於勵磁方式和使用環的不同,形成電磁、永磁兩大類,多種係列、各種規格產品。
適用範圍:
永磁輪適用於煤炭、電力、製糖等輸送係統中的除鐵、細粉狀物料的淨化處理、鋼渣的回收利用及甘蔗糖廠中的蔗屑除鐵等場合。



地址:湖南省嶽陽市榮家灣生態工業園19號
電話:0730-7628111/0730-7623280
手機:13908406127(陳先生)
郵箱:sales@baicyx.com
![]() | ![]() |
| 阿裏店鋪 | 手機站 |